
Qbot是今年暑假实习的时候跟同事一起构思的一个项目,主要起因是看到这个会解迷宫的巡线小机器人3pi,觉得很搞笑,想弄一个耍耍,但是这玩意国内并不好买,于是打算自己动手…

仔细想想这东西的可DIY性还是挺高的,除了巡线外,解谜宫,遥控,对战等玩法还有很多,要是基于Arduino开源当然就更合适啦。
(点击more继续阅读->)
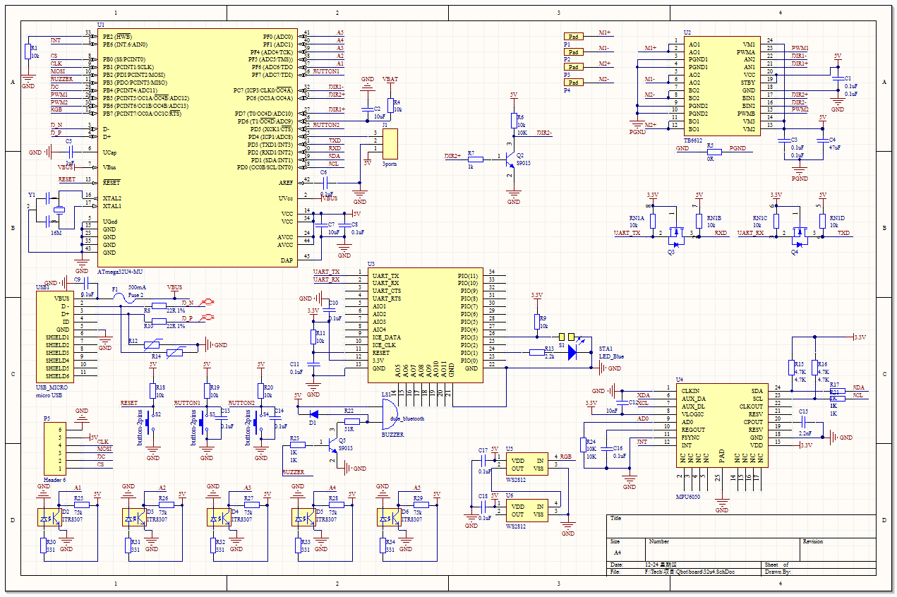
最后选定的主控芯片方案是Mega32U4,主要是因为自带串口BootLoader,可以直接通过USB下载程序。对比于3pi增加了:
- 128x64分辨率的OLED显示屏
- 两个可编程配置的炫彩RGB尾灯
- 可以直接USB充电的锂电池
- 陀螺仪模块用来识别一些手势
- 以及当然更小巧的机身。
软件方面比较简单,前期实现了APP遥控和巡线,以及ADC显示,迷宫的算法是已经构思好了的,但是之后没多久就实习结束回学校了…然后一开学各种事情扑面而来…于是Qbot的项目就一直被搁置到现在
看一下视频演示
个人还是很喜欢这个小车的,等之后有空我会继续完成剩下的工作,然后看大家喜欢的话就发布出来
先把原理图也放出来吧,有能力动手的同学也可以自己先尝试做一下
